10 % Rabatt für Geschäftskunden!
Kein Gutscheincode notwendig!
NEUGrößere Bestellung?
Angebot anfordern und sparen!

Produktinformationen Profil 40/22 warmgewalzt - 1.000 mm - gelocht - WB

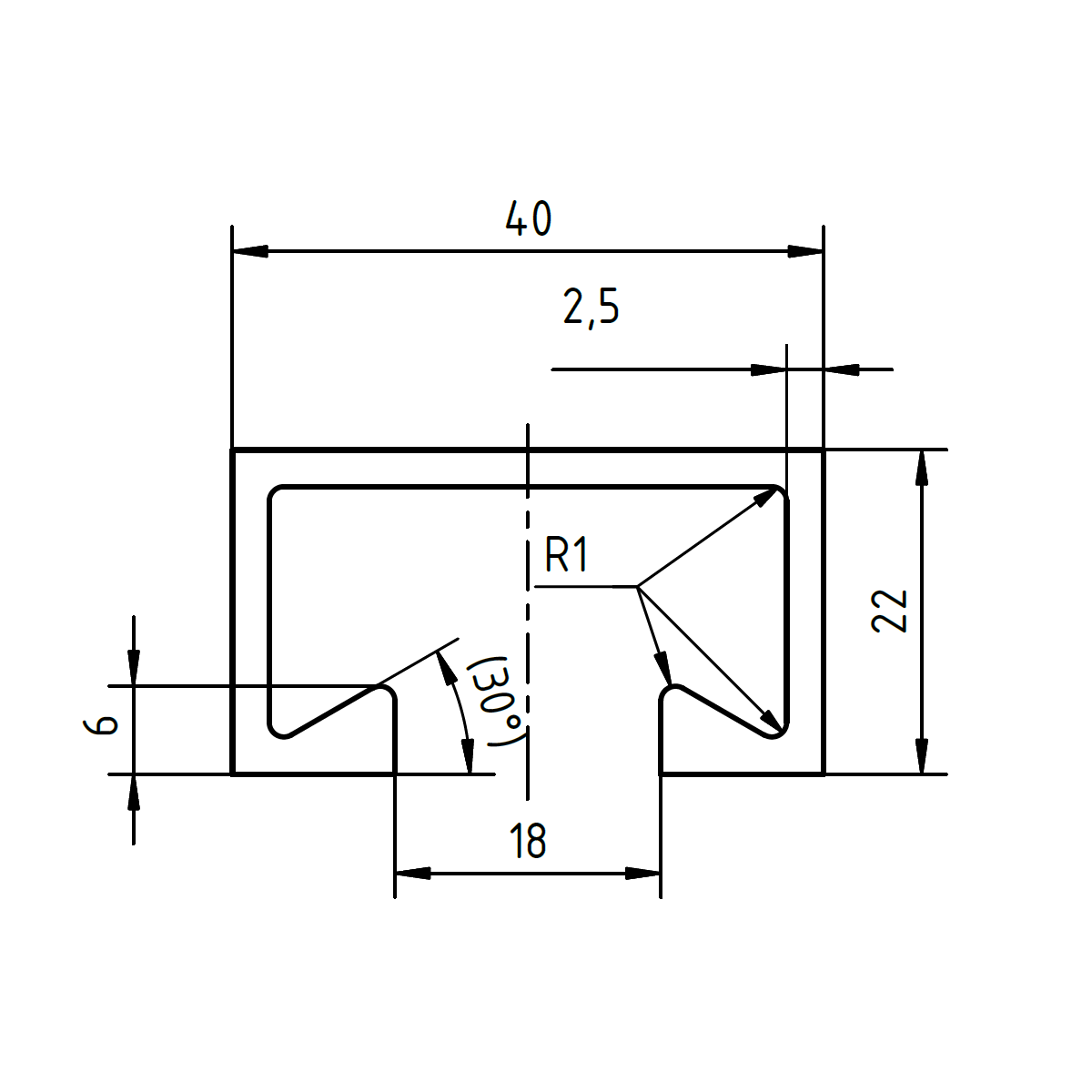
Abmessungen:
Profil: 40 x 20 x 2,5 [mm]
Schienenschlitz: 18 mm
Lochbild: 13 x 40 [mm] im Raster 60 mm

Schienenlippe: 30° Schwalbenschwanz

Passende Schrauben:
Hammerkopfschrauben 40/22
Gewindeplatte 40/22

 

Die kompakte warmgewalzte Montageschiene

Das Bullfix Montageprofil 40/22 in warmgewalzter Ausführung ist ein vielseitig einsetzbares Bauelement, das sich durch seine Robustheit und Stabilität auszeichnet. Mit einer Breite von 40 mm und einer Höhe von 22 mm bietet dieses Profil eine optimale Grundlage für diverse Konstruktions- und Montagearbeiten.

Durch das Warmwalzverfahren erhält die Montageschiene 40/22 seine charakteristische Festigkeit und eine gleichmäßige Materialstruktur. Dieses Verfahren beinhaltet das Walzen des Stahls bei einer Temperatur, die über der Rekristallisationstemperatur des Materials liegt. Dadurch wird das Profil nicht nur formbarer, sondern auch widerstandsfähiger gegenüber mechanischen Belastungen.

Einsatzgebiete des warmgewalzten C-Profil 40/22 sind vielfältig. In der Industrie findet es häufig Verwendung bei der Herstellung von Maschinen- und Anlagenkomponenten, wo es als Stütz- oder Verbindungselement dient. Auch im Fahrzeugbau wird es eingesetzt, um stabile Rahmenkonstruktionen zu schaffen, die hohen Belastungen standhalten müssen.

Im Bereich der Architektur und des Bauwesens wird die warmgewalzte Montageschiene 40/22 für die Realisierung von Unterkonstruktionen, wie beispielsweise für Fassadenverkleidungen oder Deckensysteme, genutzt. Seine warmgewalzte Beschaffenheit garantiert dabei eine hohe Tragfähigkeit und Langlebigkeit.

Zusammenfassend ist das Profil 40/22 in warmgewalzter Ausführung ein essenzieller Bestandteil in der Konstruktion, der durch seine vielseitigen Einsatzmöglichkeiten und seine hohe Belastbarkeit überzeugt.

Das Bullfix Montageprofil 40/22 etabliert sich als kostenbewusste Option, die hinsichtlich Funktionalität und Qualität den etablierten Systemen namhafter Anbieter in nichts nachsteht. Es positioniert sich als wirtschaftlich attraktive Alternative zu den gängigen Profiltypen auf dem Markt, einschließlich des Halfen HM 40/22, Hilti HMC 40/22 sowie Pohlcon Jordahl JM W 40/22.


Hier zu passend: Schrauben 40/22 - Gewindeplatten 40/22